联系我们

全国咨询热线

18908408888

岳阳湖瑞电气有限公司
电话:0730-8285316
传真:0730-8204668
手机:18908408888(叶先生)
邮箱:hlsell@163.com
地址:岳阳经济开发区金风桥管理处监申桥村

起重电磁铁

MW12系列

MW12系列

详细说明:
  用途
  电磁铁运用独特的磁路,双线包结构,具有散热好、透磁深,能穿透多层气隙的特点,可吊运没作捆轧或只作了简单捆轧的棒材、扁铁、角钢等。有常温型和高温型。由于多采用两台或是多台联吊,帮其与挂梁联接的具体要求。由于圆钢、螺纹钢等这类型的挠度较大,建议被吸物长度超过9米的采用多台联吊。


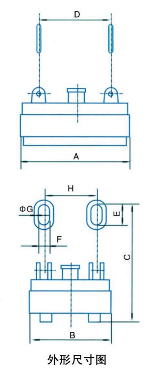
  主要技术参数(额定电压DC-220V,通电持续率TD-60%)

本站关键词:岳阳湖瑞电气有限公司,燃烧器,起重电磁铁,控制设备,高能点火,电缆卷筒,燃烧器哪家好
版权所有:岳阳湖瑞电气有限公司 联系方式:18908408888
联系地址:岳阳经济开发区金风桥管理处监申桥村 湘ICP备17017552号-1
技术支持:竞网智赢

手机二维码